

销售:17346546283
销售:010-68465926
技术:18611287598
传真:010-68465926
Q Q:3226344213
邮箱:info@bjhaman.com
地址:北京市海淀区大慧寺8号北区20号楼一层105室

HMLDM-DM20HT-PN型高温激光测距仪
时间:2025-10-16 20:25

一、概述:
HMLDM-DM20HT-PN型高温激光测距仪专门用于高温固体、液体的位置、尺寸、高度的测量。通过profinet通讯方式将数据传输至上位机系统。
● 测量高温物体,能保持很高的测量精度和可靠性
● 测量精度<±1mm,分辨率0.1mm,重复性±0.5mm
● 使用红色可见激光束,测量范围可达30米
● 标准的profinet接口,灵活可靠
● 不锈钢外壳,可通水、气进行冷却
二、技术数据:

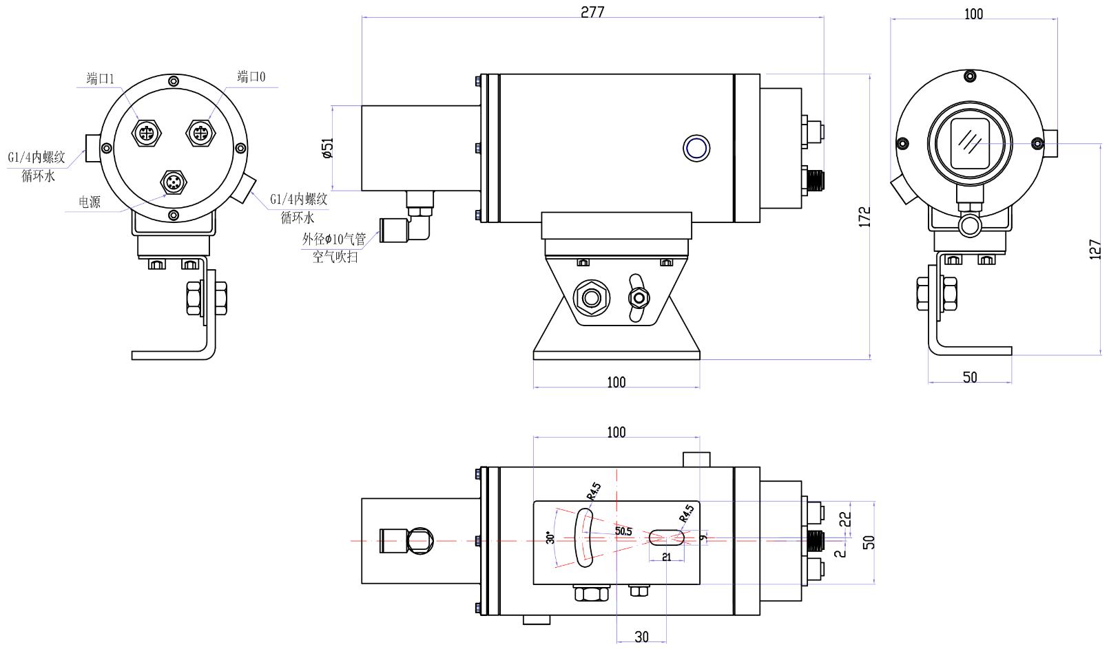
三、外形尺寸:

四、可选附件:

下一篇:没有了 上一篇:高温激光测距仪